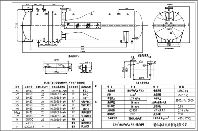
63m3液化氣儲罐





主要參數
容積: | 63m3 | 設計年限: | 20年 |
罐體尺寸(內徑×壁厚×長度)mm | 2800×14×10950 | 罐體重量: | 13860kg |
筒體厚度: | 14mm | 封頭厚度: | 16mm |
設計壓力: | 1.77MPa | 試驗壓力: | 2.22MPa |
腐蝕裕量: | 1mm | 鞍座中心距離: | 8000mm |
探傷范圍: | 所有焊縫100%無損探傷 | 熱處理方式: | 整體消除應力熱處理 |
制造驗收標準: | GB150-2011以及《固定式壓力容器安全技術監察規程》 | 監檢證頒發單位: | 湖北省特種設備檢驗檢測研究院 |







更多液化氣儲罐圖片,液化氣儲罐安裝,液化氣儲罐訂購等了解,請致電湖北華星壓力容器制造廠家!
咨詢熱線:0722-3301788